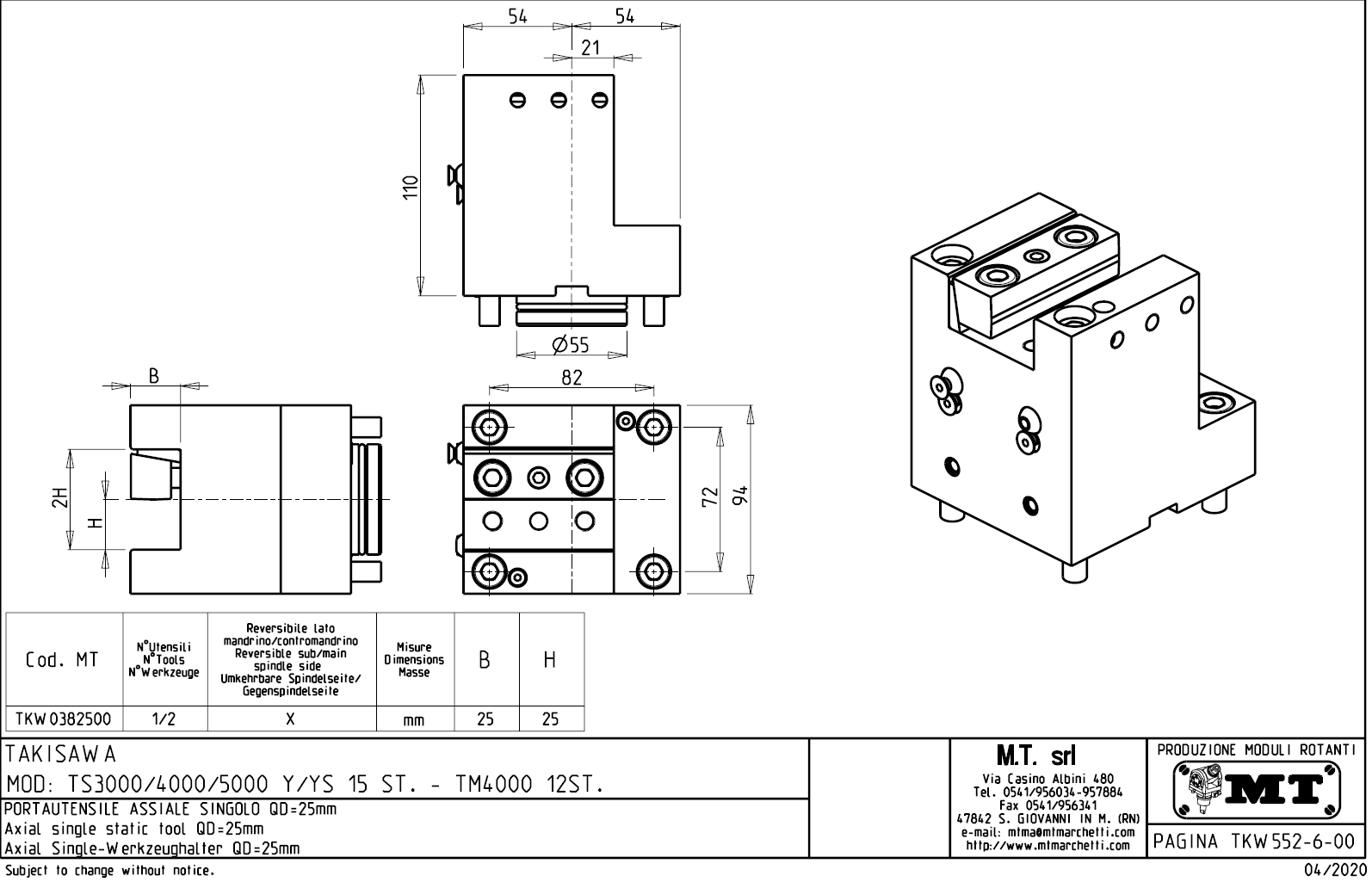
Axiální pevný držák nástrojů pro vnější soustružení:
- venkovní přívod řezné kapaliny.
- pro upnutí vnějších nožů.
Určeno pro stroje:
- Takisawa - série TS3000 / 4000 / 5000 Y / YS s 15-ti polohovou hlavou
- Takisawa - série TM4000 s 12-ti polohovou hlavou

Pro stažení souboru se prosím přihlašte. Pokud nemáte účet tak se nejprve registrujte.