Rychlý kontakt: +420 381 214 452

SPN440-1-00

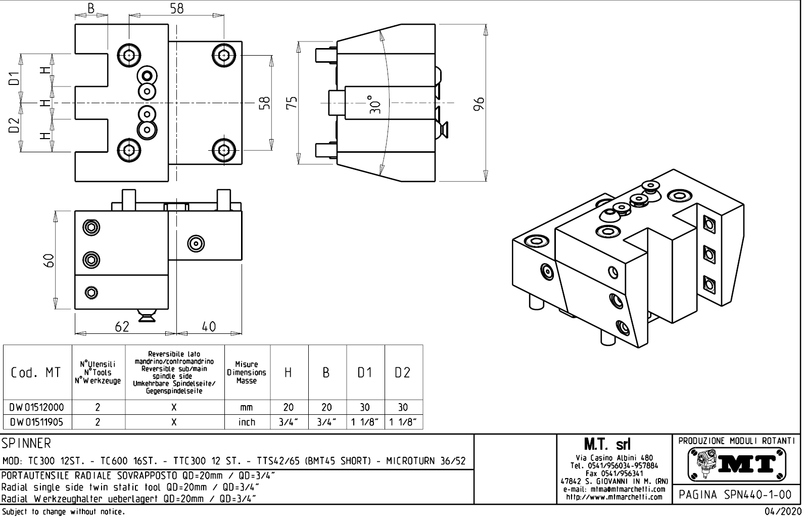
Radiální, pevný (statický) nástrojový držák pro stroje s nástrojovou hlavou typu BMT45.

Podrobný popis produktu
VÝBĚR VARIANTY:
Podrobný popis
Technické paramentry
Soubory ke stažení

Radiální pevný držák nástrojů pro vnější soustružení:

  • venkovní přívod řezné kapaliny.
  • pro upnutí vnějších nožů.

Určeno pro stroje:

  • Spinner - série TC300 s 12-ti polohovou hlavou
  • Spinner - série TC600 s 16-ti polohovou hlavou
  • Spinner - série TTC300 s 12-ti polohovou hlavou
  • Spinner - série TTS42/65 (BMT45 SHORT)
  • Spinner - série MICROTURN 36/52

Pro stažení souboru se prosím přihlašte. Pokud nemáte účet tak se nejprve registrujte.