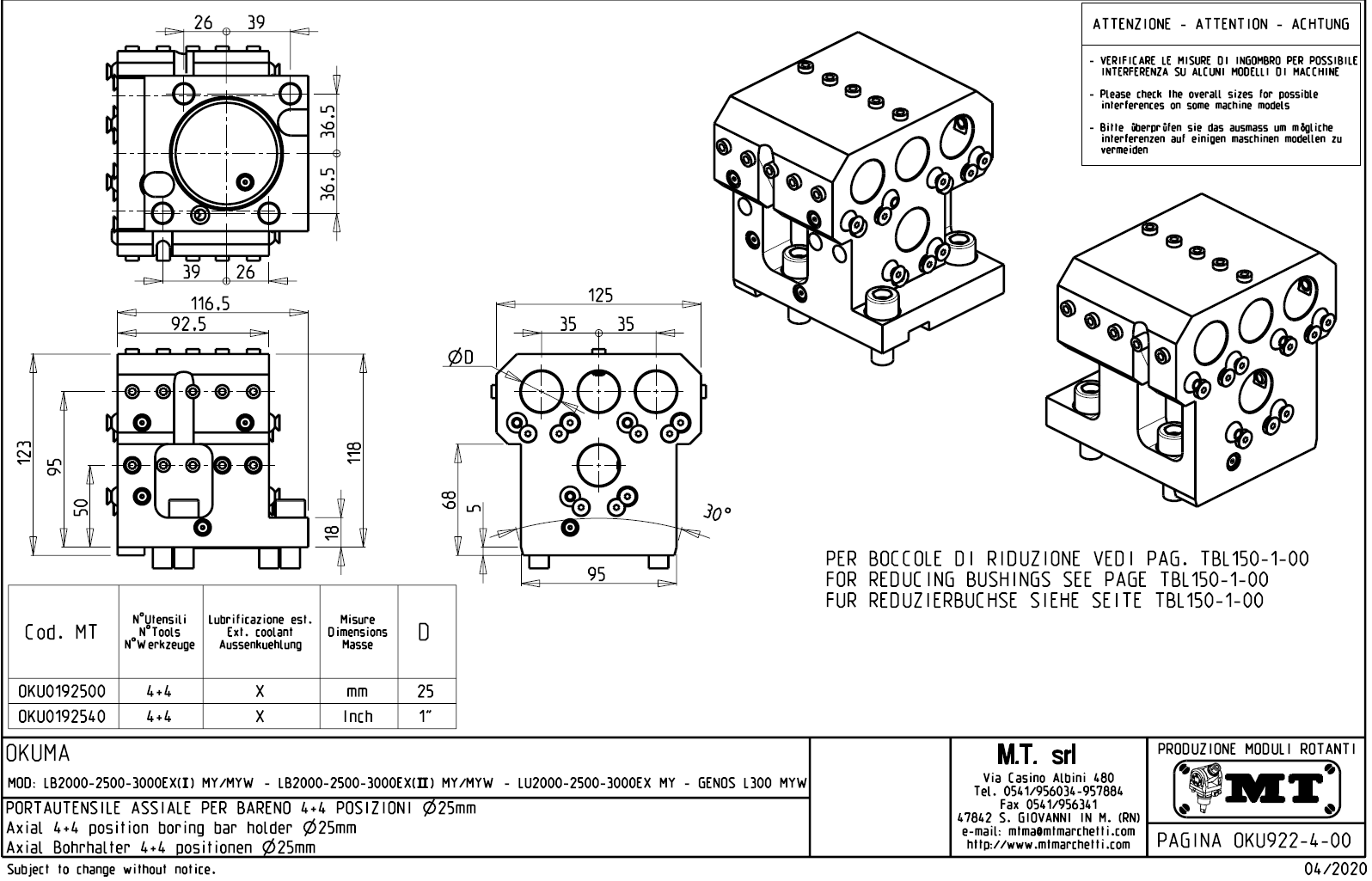
Axiální pevný držák nástrojů pro vrtání a vnitřní soustružení:
- vnitřní (max.70bar) a venkovní přívod řezné kapaliny.
- pro upnutí vnitřních nožů.
- možnost upnutí antivibračních tyčí pomocí svěrného spoje.
- pro použití vnitřního přívodu chladící kapaliny musí být použit zaslepovací kit, který není součástí standadní dodávky.
Určeno pro stroje:
- Okuma - série LB 2000 / 2500 / 3000 EX (I) MY / MYW
- Okuma - série LB 2000 / 2500 / 3000 EX (II) MY / MYW
- Okuma - série LU 2000 / 2500 / 3000 EX MY
- Okuma - série GENOS L 300 MW / MYW

Pro stažení souboru se prosím přihlašte. Pokud nemáte účet tak se nejprve registrujte.