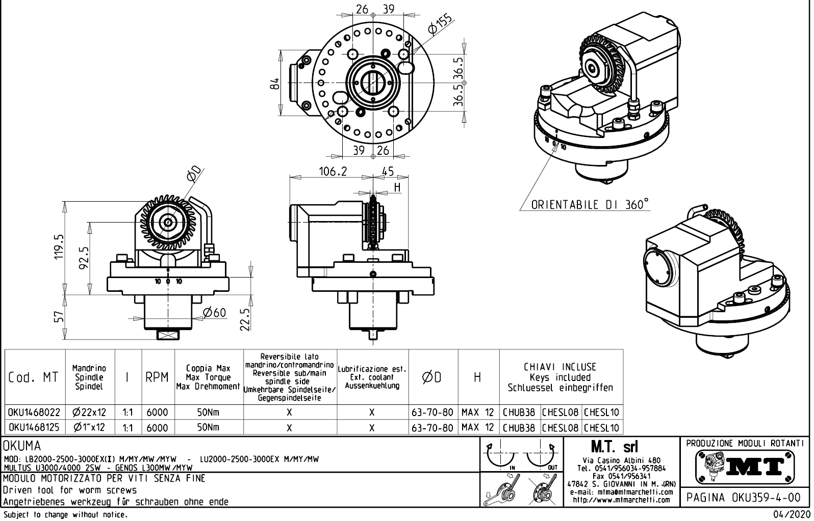
Rotační držák nástrojů pro frézování šroubu s vysokým stoupáním:
- max. 6.000 ot./min..
- převod 1:1.
- venkovní přívod řezné kapaliny.
- upnutí nástroje pomocí: nástrčného trnu .
Určeno pro stroje:
- Okuma - série LB 2000 / 2500 / 3000 EX (I) M / MY / MW / MYW
- Okuma - série LU 2000 / 2500 / 3000 EX M / MY / MW
- Okuma - série GENOS L 300 MW / MYW
- Okuma - série MULTUS U 3000 / 4000 2SW

Pro stažení souboru se prosím přihlašte. Pokud nemáte účet tak se nejprve registrujte.