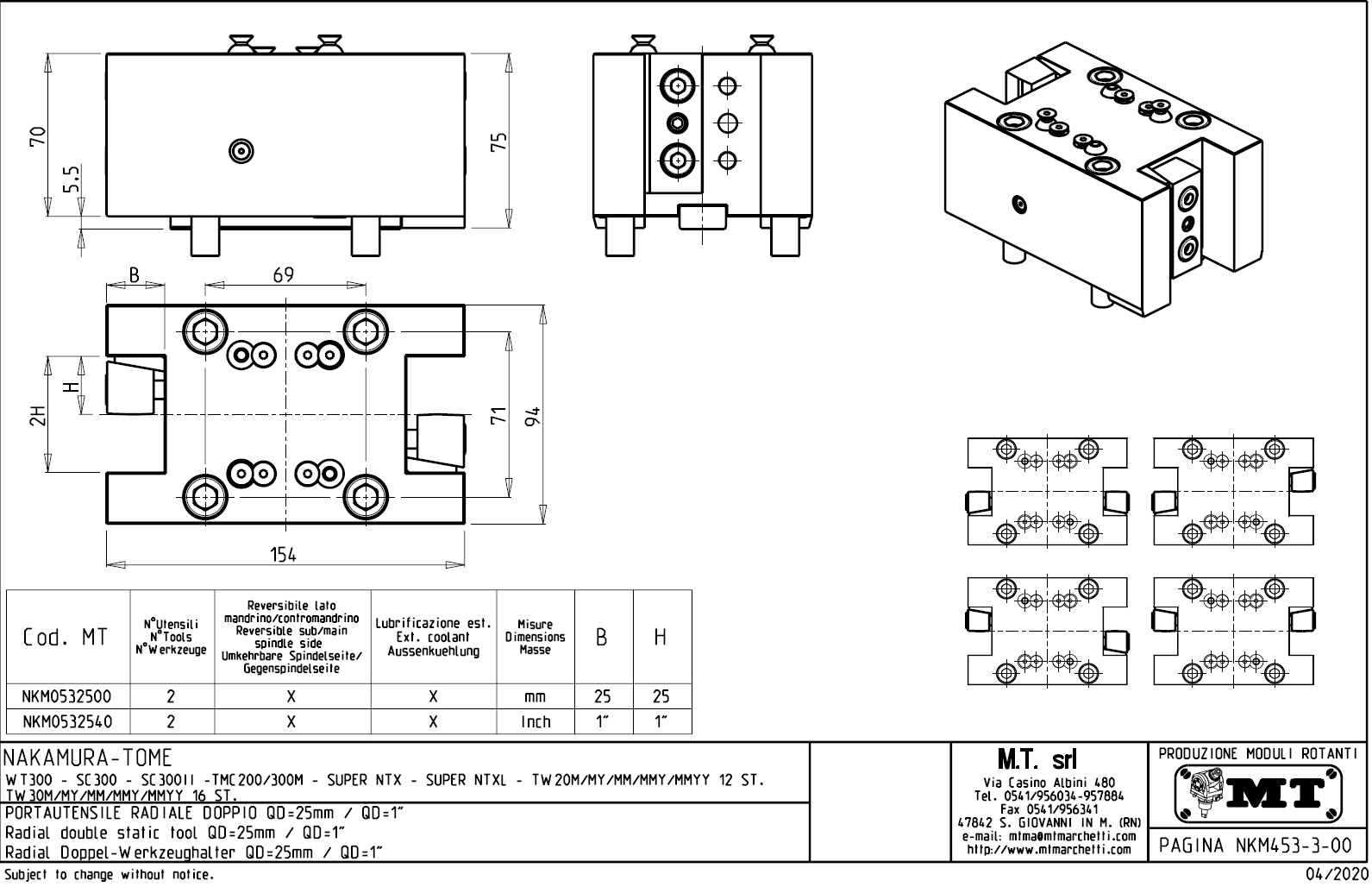
Radiální pevný držák nástrojů pro vnější soustružení:
- venkovní přívod řezné kapaliny.
- pro upnutí vnějších nožů.
Určeno pro stroje:
- Nakamura-Tome - série WT 300
- Nakamura-Tome - série SC 300 / 300II
- Nakamura-Tome - série TMC 200 / 300 M
- Nakamura-Tome - série SUPER NTX / NTXL
- Nakamura-Tome - série TW 20 M / MY / MM / MMY / MMYY s 12-ti polohovou hlavou
- Nakamura-Tome - série TW 30 M / MY / MM / MMY / MMYY s 16-ti polohovou hlavou

Pro stažení souboru se prosím přihlašte. Pokud nemáte účet tak se nejprve registrujte.