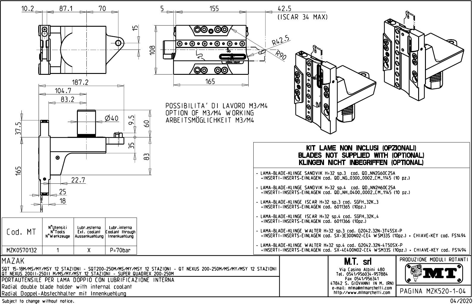
adiální pevný držák nástrojů pro vnější zapichování a upichování:
- vnitřní (max.70bar) a venkovní přívod řezné kapaliny.
- pro upnutí planžet.
Určeno pro stroje:
- Mazak - série SQT 15 - 18 M / MS / MY / MSY s 12-ti polohovou hlavou
- Mazak - série SQT 200 - 250 M / MS / MY / MSY s 12-ti polohovou hlavou
- Mazak - série QT NEXUS 200 - 250 M / MS / MY / MSY s 12-ti polohovou hlavou
- Mazak - série QT NEXUS 200 II - 250 II M / MS / MY / MSY s 12-ti polohovou hlavou
- Mazak - série SUPER QUADREX 200 - 250 M

Pro stažení souboru se prosím přihlašte. Pokud nemáte účet tak se nejprve registrujte.