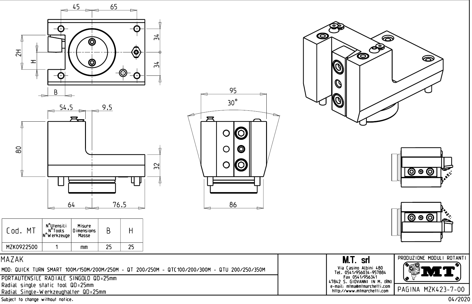
Radiální pevný držák nástrojů pro vnější soustružení:
- venkovní přívod řezné kapaliny.
- pro upnutí vnějších nožů.
Určeno pro stroje:
- Mazak - série QUICK TURN SMART 100M / 150M / 200M / 250M
- Mazak - série QT 200 / 250M
- Mazak - série QTC 100 / 200 / 300M
- Mazak - série QTU 200 / 250 / 350M

Pro stažení souboru se prosím přihlašte. Pokud nemáte účet tak se nejprve registrujte.