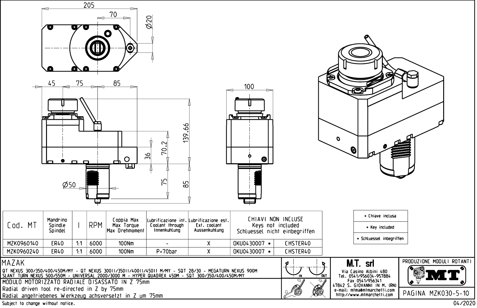
Radiální rotační držák nástrojů:
- max. 6.000 ot./min..
- převod 1:1.
- vnitřní (max.70bar) a venkovní přívod řezné kapaliny.
- upnutí nástroje pomocí: kleštiny ER / ERA.
Určeno pro stroje:
- Mazak - série QT NEXUS 300 / 350 / 400 / 450 M / MY
- Mazak - série QT NEXUS 300II / 350II / 400II / 450II M / MY
- Mazak - série SQT 28 / 30
- Mazak - série MEGATURN NEXUS 900M
- Mazak - série SLANT TURN NEXUS 500 / 550M
- Mazak - série UNIVERSAL 2000 / 3000 M
- Mazak - série HYPER QUADREX 450M
- Mazak - série SQT 300 / 350 / 400 / 450 M / MY

Pro stažení souboru se prosím přihlašte. Pokud nemáte účet tak se nejprve registrujte.