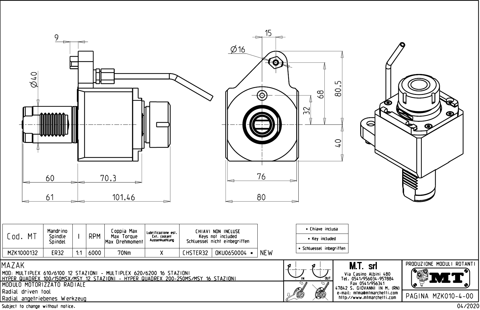
Radiální rotační držák nástrojů:
- max. 6.000 ot./min..
- převod 1:1.
- venkovní přívod řezné kapaliny.
- upnutí nástroje pomocí: kleštiny ER / ERA.
Určeno pro stroje:
- Mazak - série MULTIPLEX 610 / 6100 s 12-ti polohovou hlavou
- Mazak - série MULTIPLEX 620 / 6200 s 16-ti polohovou hlavou
- Mazak - série HYPER QUADREX 100 / 150 MSX / MSY s 12-ti polohovou hlavou
- Mazak - série HYPER QUADREX 200 / 250 MS / MSY s 16-ti polohovou hlavou

Pro stažení souboru se prosím přihlašte. Pokud nemáte účet tak se nejprve registrujte.