Rychlý kontakt: +420 381 214 452

MNZ450-1-00

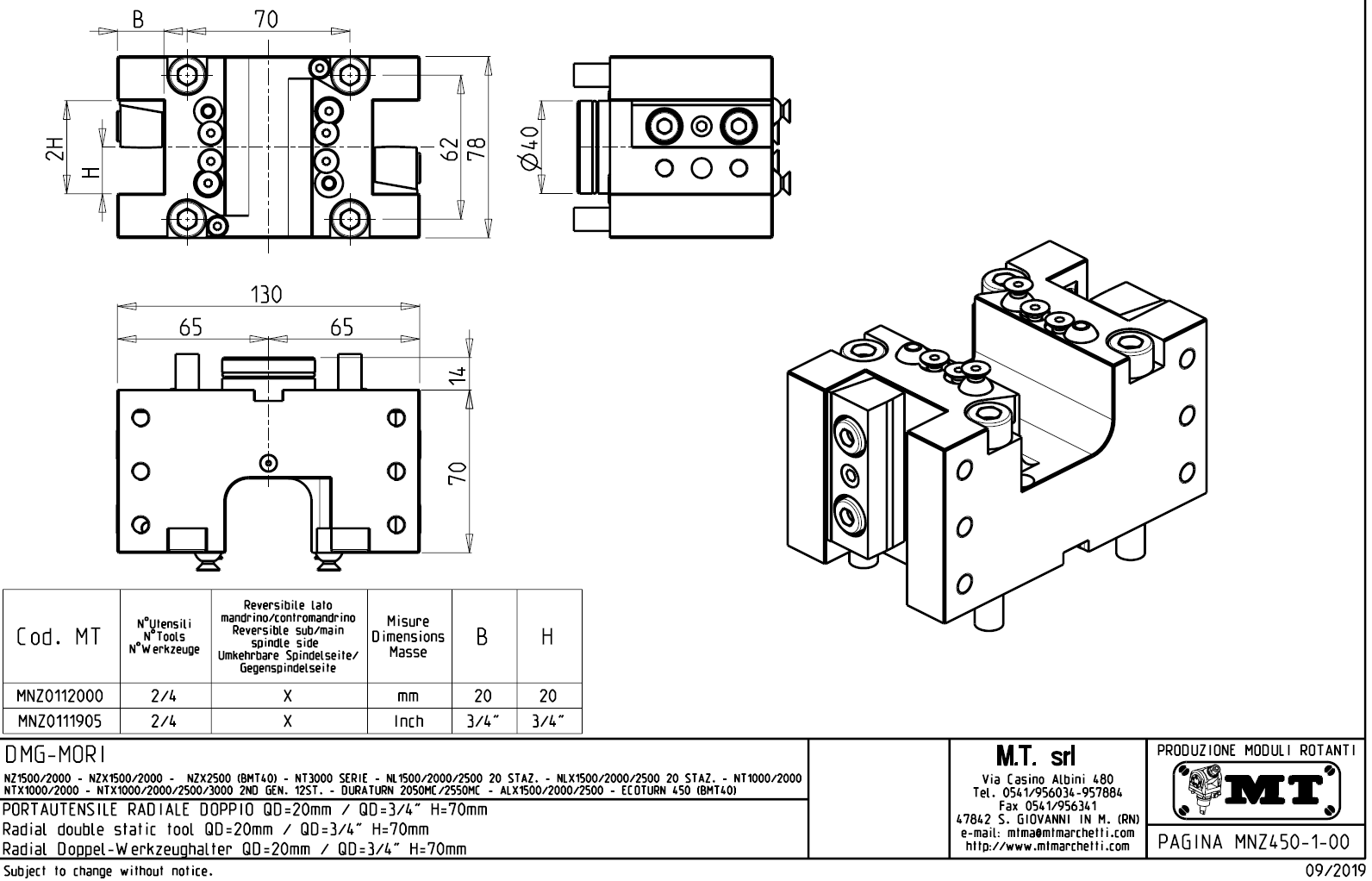
Radiální pevný, statický nástrojový držák pro stroje DMG Mori s nástrojovou hlavou BMT40

Podrobný popis produktu
VÝBĚR VARIANTY:
Podrobný popis
Technické paramentry
Soubory ke stažení

Radiální pevný držák nástrojů pro vnější soustružení:

  • venkovní přívod řezné kapaliny.
  • pro upnutí vnějších nožů.

Určeno pro stroje:

  • série NL / NLX s 20-ti polohovou hlavou
  • série NT  1000 / 2000 / 3000
  • série NTX 1000 / 2000
  • série NTX 1000 / 2000 / 2500 / 3000 (druhé generace)
  • série NZ 1500 / 2000
  • série NZX 1500 / 2000 / 2500
  • série NRX 2000
  • série DURATURN 2500MC / 2550MC
  • série ALX 1500 / 2000 / 2500
  • série ECOTURN 450

Pro stažení souboru se prosím přihlašte. Pokud nemáte účet tak se nejprve registrujte.