Rychlý kontakt: +420 381 214 452

MNL904-1-00

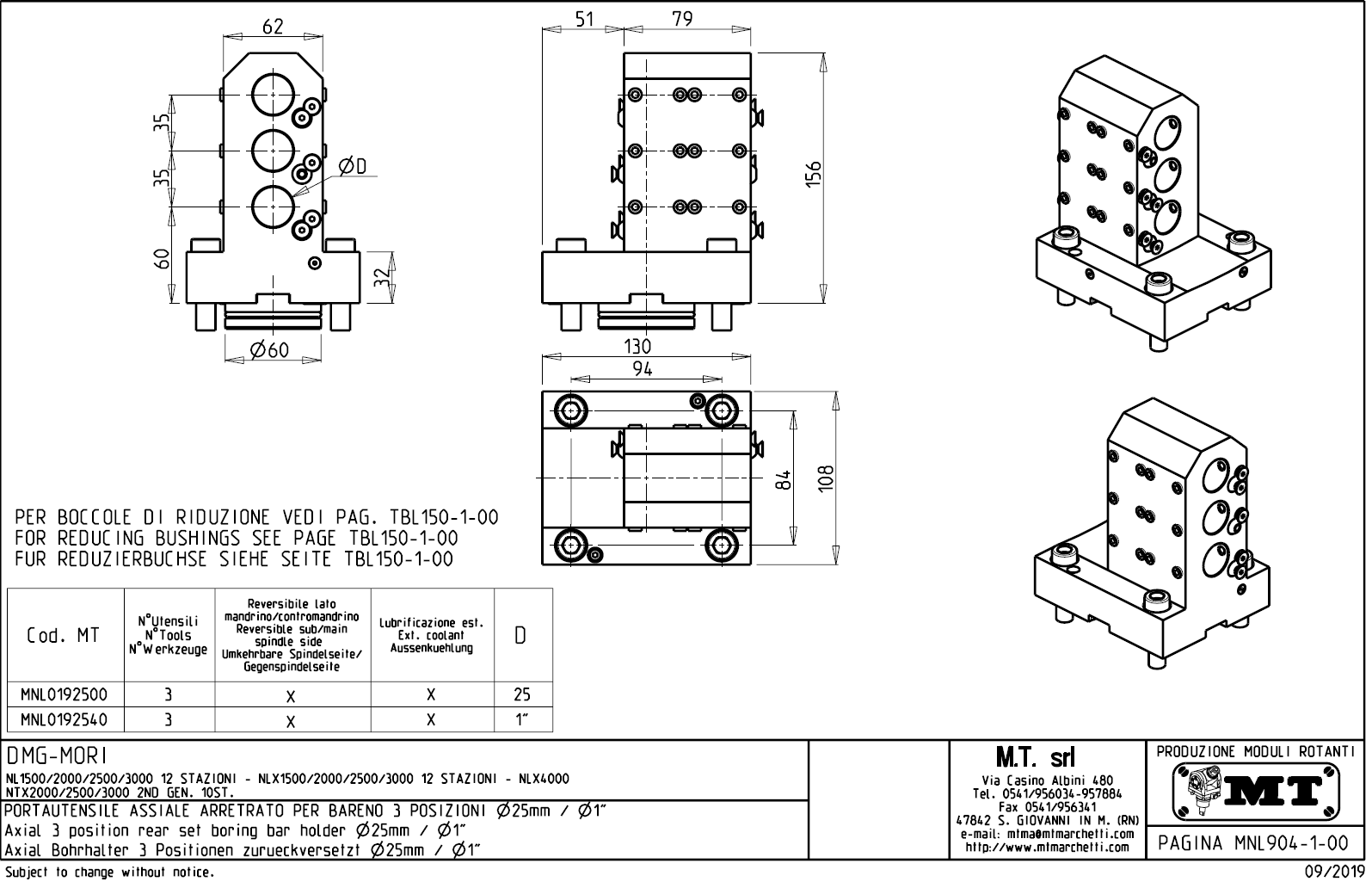
Axiální, pevný (statický) nástrojový držák pro stroje s nástrojovou hlavou typu BMT60.

Podrobný popis produktu
VÝBĚR VARIANTY:
Podrobný popis
Technické paramentry
Soubory ke stažení

Axiální pevný držák nástrojů pro vrtání a vnitřní soustružení:

  • vnitřní (max.70bar) a venkovní přívod řezné kapaliny.
  • pro upnutí vnitřních nožů.
  • pro použití vnitřního přívodu chladící kapaliny musí být použit zaslepovací kit, který není součástí standadní dodávky.

Určeno pro stroje:

  • DMG Mori / Mori Seiki - série NL / NLX s 12-ti polohovou hlavou
  • DMG Mori / Mori Seiki - série NLX 4000
  • DMG Mori / Mori Seiki - série NT  4000 / 5000
  • DMG Mori / Mori Seiki - série NTX 2000 / 2500 / 3000 (druhé generace)
  • DMG Mori / Mori Seiki - série NZX 2500
  • DMG Mori / Mori Seiki - série NZL 2000 / 2500
     
  • MTRent - série MTCUT T25Y/SY / T32Y/SY 
     
  • Takisawa - série TS3000 / TS4000 / TS5000 s 12-ti polohovou hlavou

Pro stažení souboru se prosím přihlašte. Pokud nemáte účet tak se nejprve registrujte.