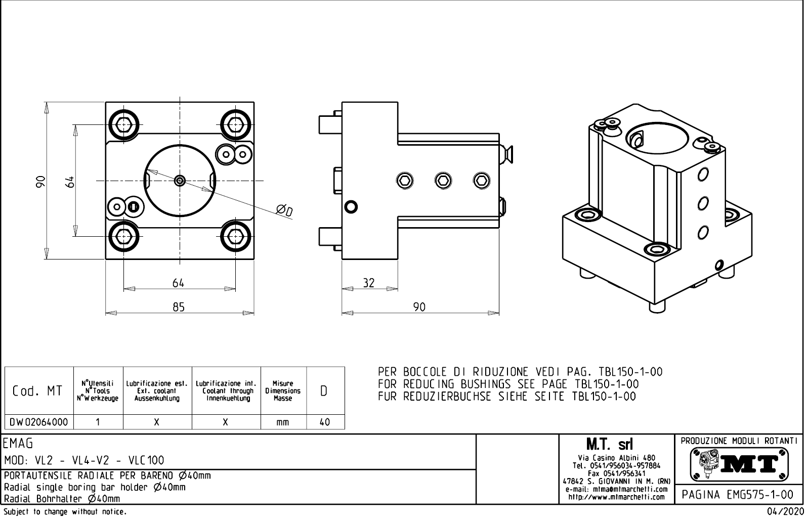
Radiální pevný držák nástrojů pro vrtání a vnitřní soustružení:
- vnitřní (max.70bar) a venkovní přívod řezné kapaliny.
- pro upnutí vnitřních nožů.
- možnost upnutí antivibračních tyčí pomocí svěrného spoje.
- pro použití vnitřního přívodu chladící kapaliny musí být použit zaslepovací kit, který není součástí standadní dodávky.
Určeno pro stroje:
- Emag - série VL2
- Emag - série VL4 - V2
- Emag - série VLC100
- Emag - série VL4 - V3

Pro stažení souboru se prosím přihlašte. Pokud nemáte účet tak se nejprve registrujte.