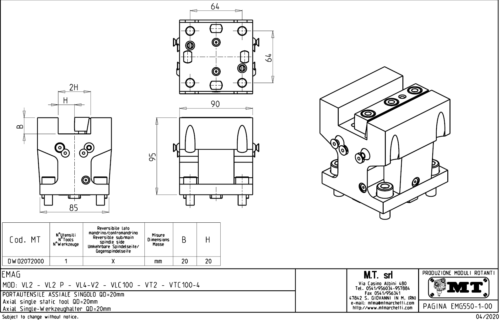
Axiální pevný držák nástrojů pro vnější soustružení:
- venkovní přívod řezné kapaliny.
- pro upnutí vnějších nožů.
Určeno pro stroje:
- Emag - série VL2 / VL2 P
- Emag - série VL4 - V2
- Emag - série VLC100
- Emag - série VT2
- Emag - série VTC100-4
- Emag - série VL4 - V3

Pro stažení souboru se prosím přihlašte. Pokud nemáte účet tak se nejprve registrujte.