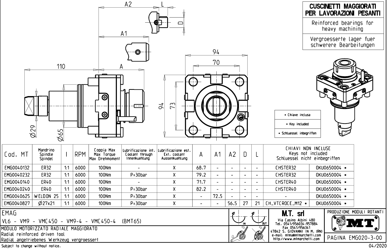
Radiální rotační držák nástrojů:
- max. 6.000 ot./min..
- převod 1:1.
- vnitřní (max.30bar) a venkovní přívod řezné kapaliny.
- upnutí nástroje pomocí: kleštiny ER / ERA, nástrčného trnu nebo weldonu.
Určeno pro stroje:
- Emag - série VL6
- Emag - série VMC450
- Emag - série VM9-4
- Emag - série VMC450-4

Pro stažení souboru se prosím přihlašte. Pokud nemáte účet tak se nejprve registrujte.