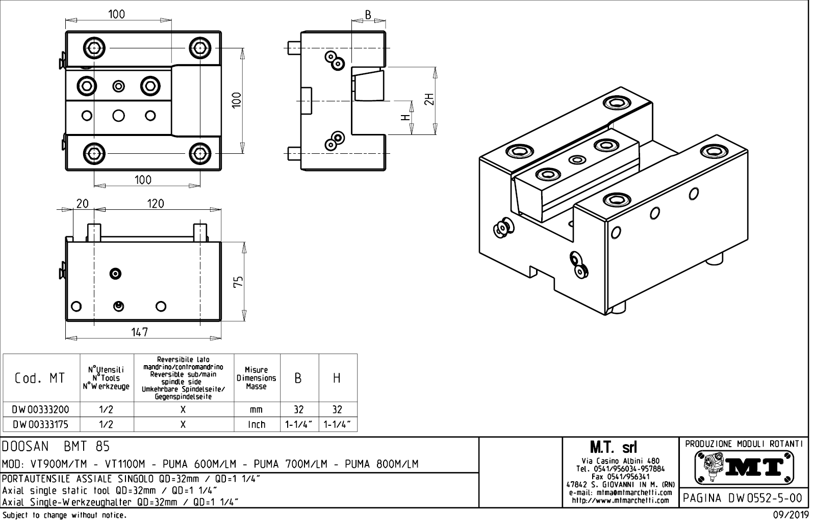
Axiální, pevný držák nástrojů pro vnější soustružení:
- venkovní přívod řezné kapaliny.
- pro upnutí vnějších nožů.
Určeno pro stroje:
- Doosan - série PUMA MX 2000 ST / 2500 LT / ST / LST
- Doosan - série PUMA MX 2600 T / ST
- Doosan - série PUMA 2600 / 3100 ST s 12-ti polohovou hlavou
- Doosan - série PUMA INVERTURN 3000M
- Doosan - série PUMA TT2000 / 2500 SY / MS
- Doosan - série PUMA V400M / VT450 M / TM
- Doosan - série PUMA 300 M / MS
- Doosan - série PUMA GT3100 M
- Doosan - série PUMA SMX2600 / 3100 ST

Pro stažení souboru se prosím přihlašte. Pokud nemáte účet tak se nejprve registrujte.