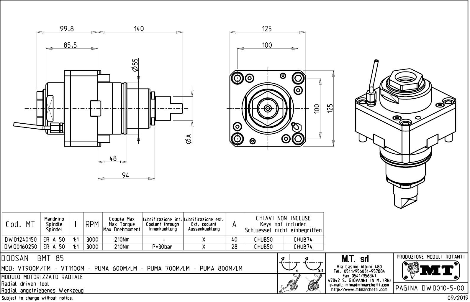
Radiální rotační držák nástrojů:
- max. 3.000 ot./min..
- převod 1:1.
- vnitřní (max.30bar) a venkovní přívod řezné kapaliny.
- upnutí nástroje pomocí: kleštiny ER / ERA.
Určeno pro stroje:
- série PUMA 600 / 700 / 800 M / LM
- série VT 900 M / TM
- série VT 1100 M

Pro stažení souboru se prosím přihlašte. Pokud nemáte účet tak se nejprve registrujte.