Rychlý kontakt: +420 381 214 452

BGL260-2-10

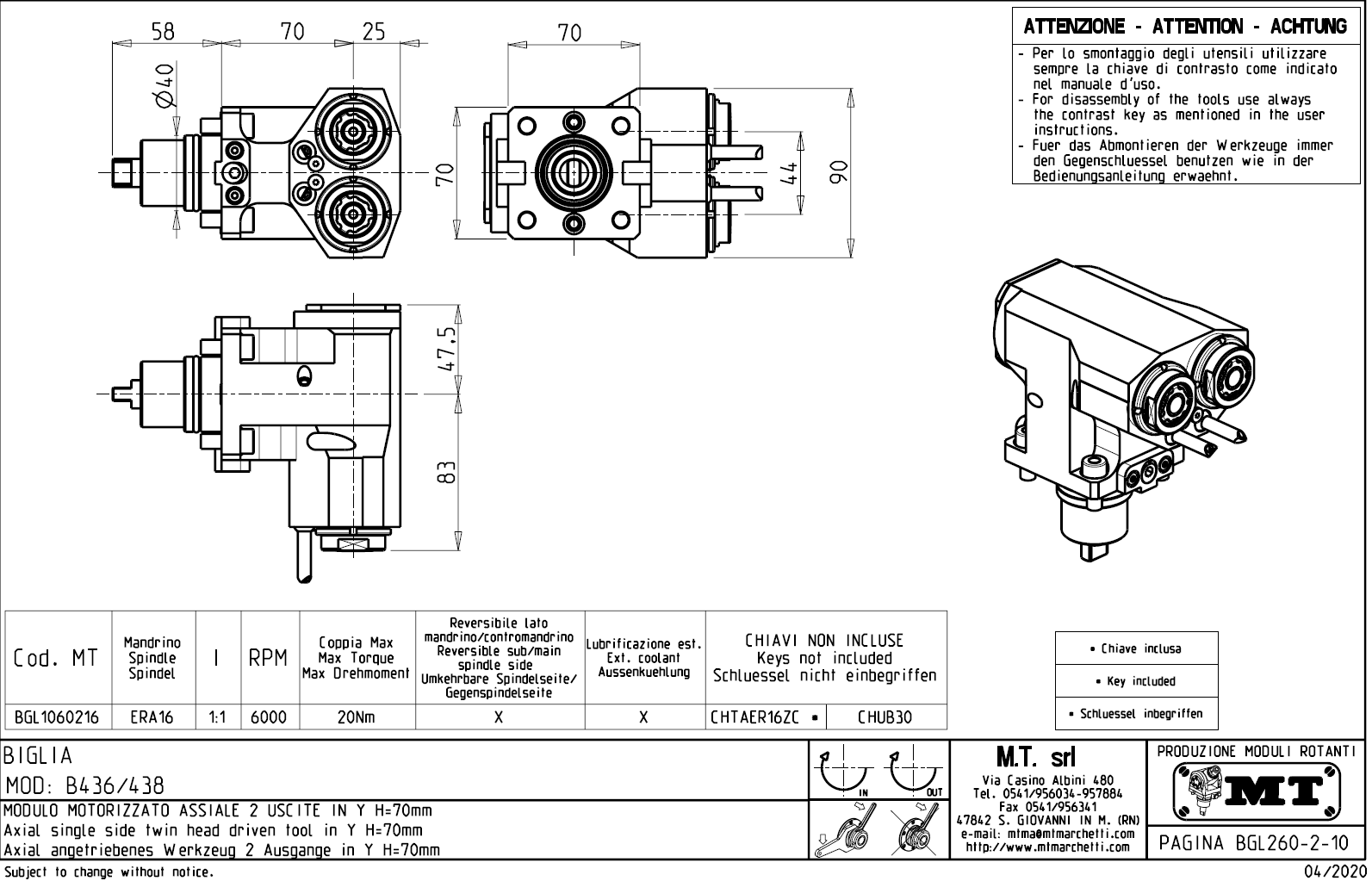
Axiální rotační držák nástrojů pro stroje s nástrojovou hlavou BMT40.

Podrobný popis produktu
VÝBĚR VARIANTY:
Podrobný popis
Technické paramentry
Soubory ke stažení

Axiální rotační držák nástrojů:

  • max. 6.000 ot./min..
  • převod 1:1.
  • venkovní přívod řezné kapaliny.
  • upnutí nástroje pomocí: kleštiny ER / ERA. 

Určeno pro stroje:

  • Biglia - série B 436 / 438

Pro stažení souboru se prosím přihlašte. Pokud nemáte účet tak se nejprve registrujte.