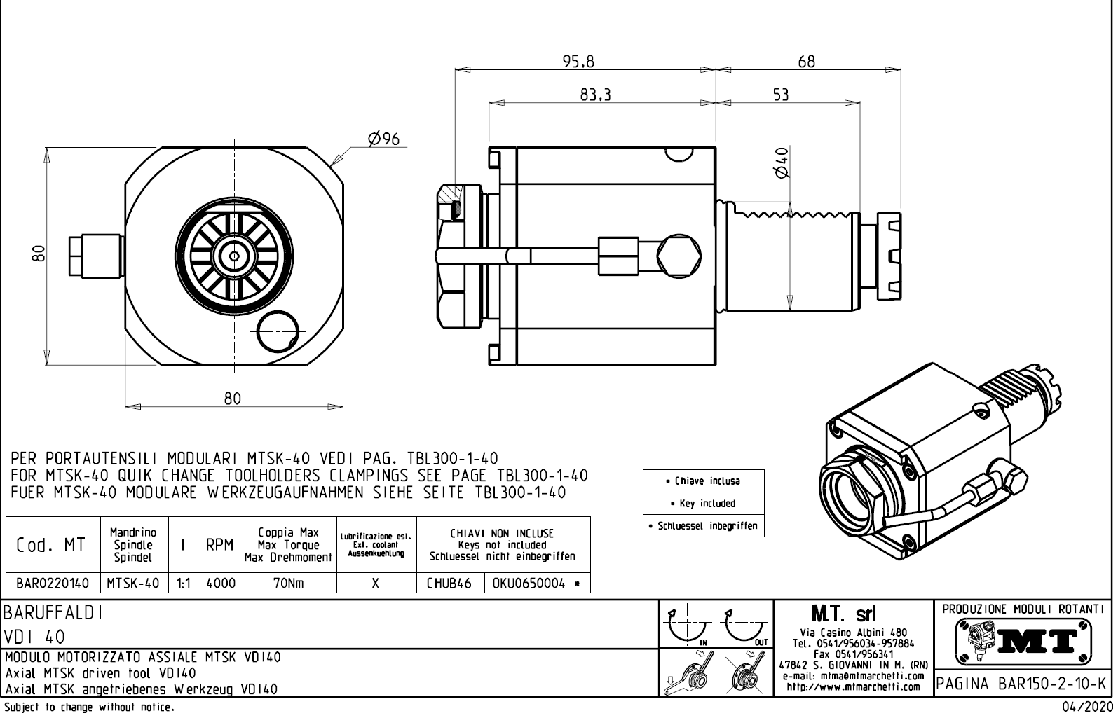
Axiální rotační držák nástrojů:
- max. 4.000 ot./min..
- převod 1:1.
- venkovní přívod řezné kapaliny.
- upnutí nástroje pomocí: rychlovýměnného modulárního systému MTSK.
Určeno pro nástrojovou hlavu:
- série VDI 40

Pro stažení souboru se prosím přihlašte. Pokud nemáte účet tak se nejprve registrujte.