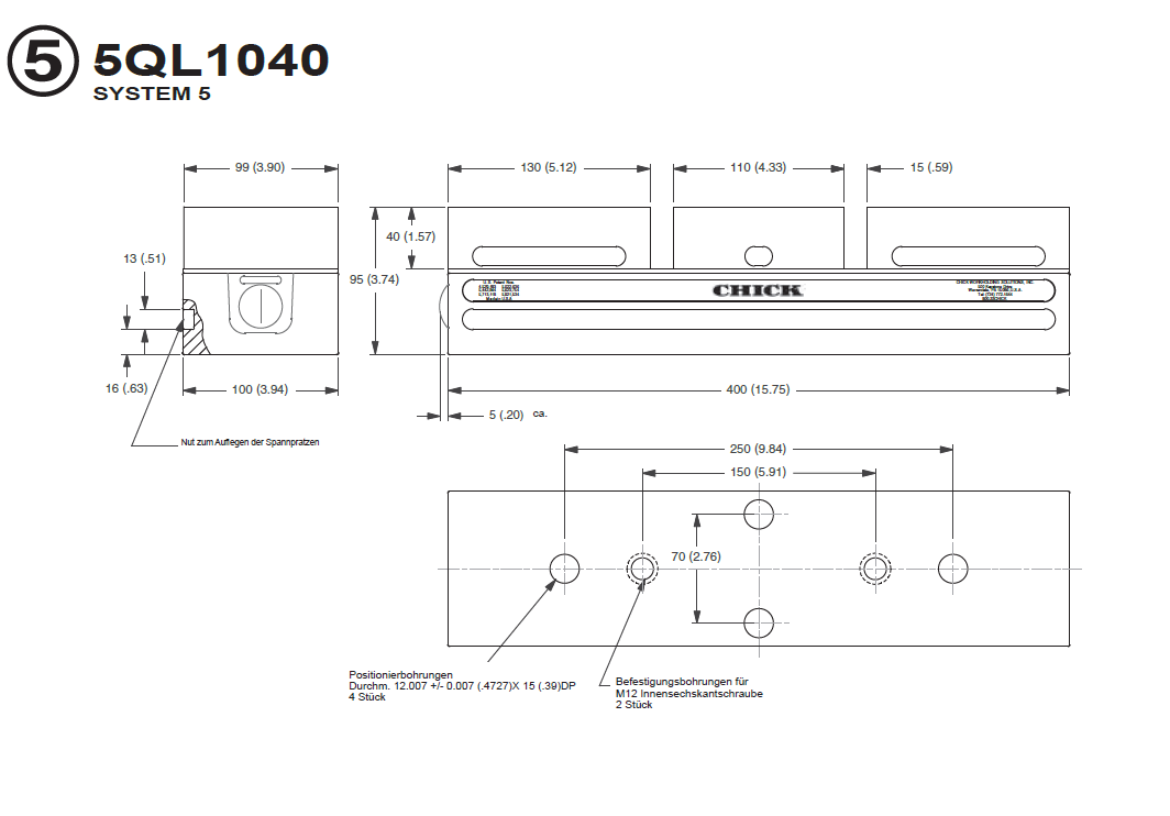
základní rozměry v mm:
- délka 400
- šířka 100
- výška 95
max. upínací kapacita v mm:
- při upnutí dvou dílů 180
- při upnutí jednoho dílu 380
max. upínací síla / max. utahovací moment 22.0 kN @ 70 N m
váha 11kg

Pro stažení souboru se prosím přihlašte. Pokud nemáte účet tak se nejprve registrujte.